| PMD1206PKVX-A.F.GN | Sunon | Вентилятор | Datasheet Инструкция (Скачать PDF) |
- Описание
-
Описание:
PMD1206PKVX-A.F.GN | Sunon | Вентилятор
Технические характеристики:
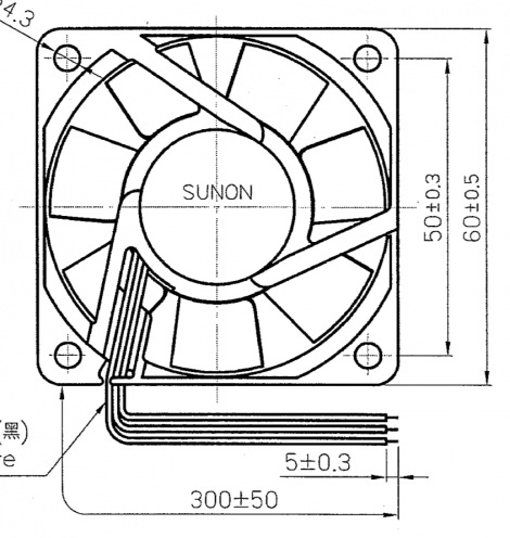
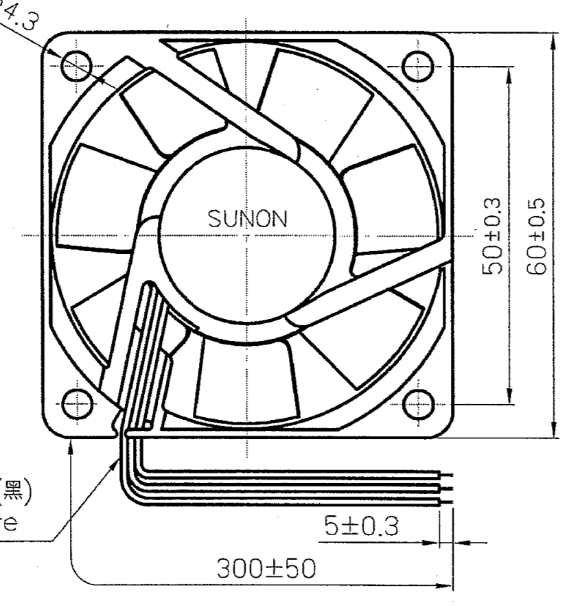
Вентилятор: DC; осевой; 12ВDC; 60x60x20мм; 51,82м3/ч; 40дБА; Vapo
Производитель Sunon.
Сроки поставки 4 недели.
SUNONDCосевой12В DC6...13,8В60x60x20мм3,3Вт275мА51,82м3/ч40дБАVapoТипа F5500 (±10%)об./мин.±15%термопласттермопласт3 провода-10...70°C300ммавтоперезапускбесколлекторный DC8,89мм H2O55г28AWG - Аксессуары и аналоги
-
- Отзывы
-
ОтзывыЗарегистрируйтесь, чтобы создать отзыв.

