- Описание
-
Технические характеристики 61030000071 :
Crimp flange for Hood 9-37P 8,0-9,0mm.
Производитель HARTING
сроки поставки 3-4 недели
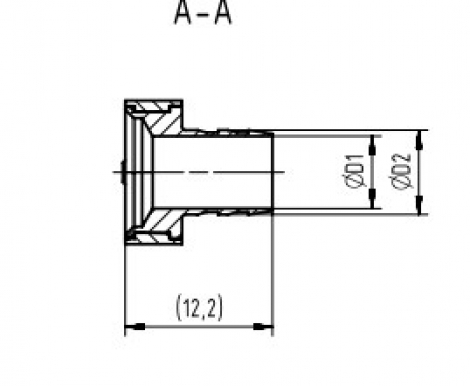
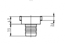
Артикул: 61 03 000 0071 Описание: кабельный ввод 8,0 - 9,0 Чертёж:
PDFНазвание: Категория Аксессуары Серия D-Sub Тип аксессуара Обжимной фланец Версия: Размер 9 D-Sub15 D-Sub37 D-Sub25 D-Sub Технические характеристики: Температура окружающей среды -20 ... +90°C Внутренний диаметр 8 mm Наружный диаметр 9 mm Свойства материала: Вес нетто 3,55 g - Аксессуары и аналоги
-
- Отзывы
-
ОтзывыЗарегистрируйтесь, чтобы создать отзыв.

