| R161416130 | Radiall | Коаксиальный разъем | Datasheet Инструкция (Скачать PDF) |
- Описание
-
Описание
R161416130 | Radiall | Коаксиальный разъем
Технические данные на R161416130 Коаксиальный разъем :
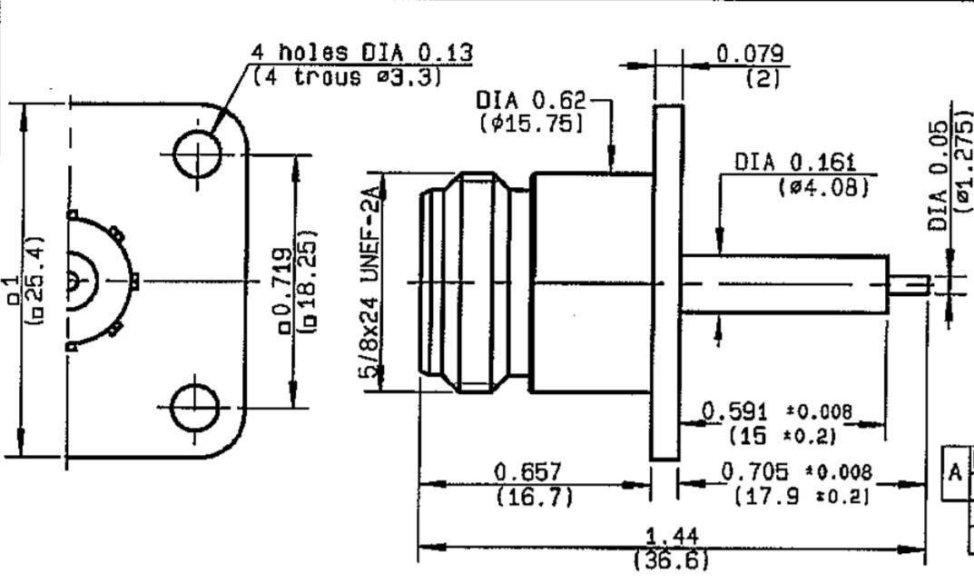
N / SQUARE FLANGE JACK RECEPTACLE WITH CYLINDRICAL контакт .
Производитель Radiall.
Сроки поставки 4-6 недель.
R161416130
Марка: РАДИАЛЛ
Тип продукта: Соединители
Интерфейс I: N
Модель: ПАНЕЛЬ РЕЦЕПТ
Макс. Частота (ГГц): 11
Импеданс (Ом): 50
Геометрия: ПРЯМАЯ
Тип Соединителя: Джек
Пол 1: ЖЕНЩИНА
Система сопряжения: винт
Контакт с центром: ЦИЛИНДРИЧЕСКИЙ
Покрытие контактного центра: ЗОЛОТО 0.5 НАД НИКЕЛЕМ 2
Покрытие кузова: BBR
- Аксессуары и аналоги
-
- Отзывы
-
ОтзывыЗарегистрируйтесь, чтобы создать отзыв.

