| R161416120 | Radiall | Коаксиальный разъем | Datasheet Инструкция (Скачать PDF) |
- Описание
-
Описание
R161416120 | Radiall Коаксиальный разъем
Технические данные на R161416120 Коаксиальный разъем :
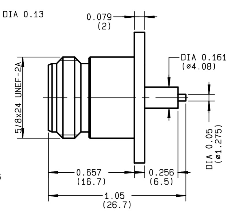
N / SQUARE FLANGE JACK RECEPTACLE WITH CYLINDRICAL контакт .
Производитель Radiall.
Сроки поставки 10-12 недель.
Тип продукта: Соединители
Интерфейс I: N
Модель: ПАНЕЛЬ РЕЦЕПТ
Макс. Частота (ГГц): 11
Импеданс (Ом): 50
Геометрия: ПРЯМАЯ
Тип Соединителя: Джек
Пол 1: ЖЕНЩИНА
Система сопряжения: винт
Контакт с центром: ЦИЛИНДРИЧЕСКИЙ
Покрытие Контакта Центра: ЗОЛОТО 0.5 НАД НИКЕЛЕМ 2
Покрытие кузова: BBR
- Аксессуары и аналоги
-
- Отзывы
-
ОтзывыЗарегистрируйтесь, чтобы создать отзыв.

