| R161329200 | Radiall | Коаксиальный разъем | Datasheet Инструкция (Скачать PDF) |
- Описание
-
Технические данные на R161329200 Коаксиальный разъем :
R161329200 | Radiall | Коаксиальный разъем
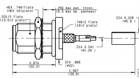
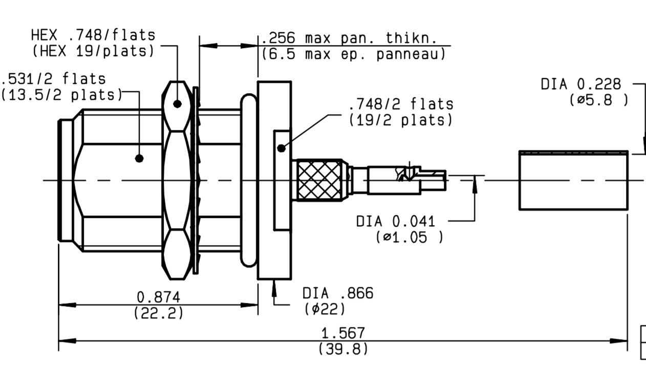
N / STRAIGHT BULKHEAD JACK PANEL SEAL FULL CRIMP-TYPE - CABLE 5/50 D .
Производитель Radiall.
Сроки поставки 4-5 недель.
R161329200
Марка: РАДИАЛЛ
Тип продукта: Соединители
Интерфейс I: N
Модель: КАБЕЛЬНЫЙ СОЕДИНИТЕЛЬ
Специфическая особенность: ПАНЕЛЬ УПЛОТНЕНА
Макс. Частота (ГГц): 11
Импеданс (Ом): 50
Геометрия: ПРЯМАЯ
Монтаж на панель: ПЕРЕГОРОДКА
Тип Соединителя: Джек
Пол 1: ЖЕНЩИНА
Стандарт кабеля: KX 23, RG 142, RG 223, RG 400
Крепление кабеля: CRIMP TYPE, FULL CRIMP TYPE
Кабельные группы: 5/50 D
Система сопряжения: винт
Покрытие Контакта Центра: ЗОЛОТО 0.5 НАД НИКЕЛЕМ 2
Покрытие кузова: BBR
- Аксессуары и аналоги
-
- Отзывы
-
ОтзывыЗарегистрируйтесь, чтобы создать отзыв.

