| R161277300 | Radiall | Коаксиальный разъем | Datasheet Инструкция (Скачать PDF) |
- Описание
-
Описание
R161277300 | Radiall | Коаксиальный разъем
Технические данные на R161277300 Коаксиальный разъем :
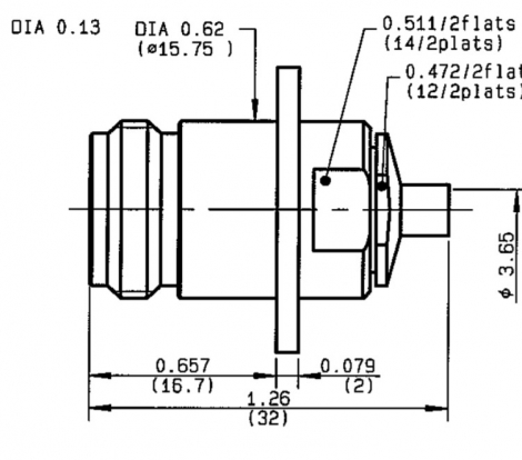
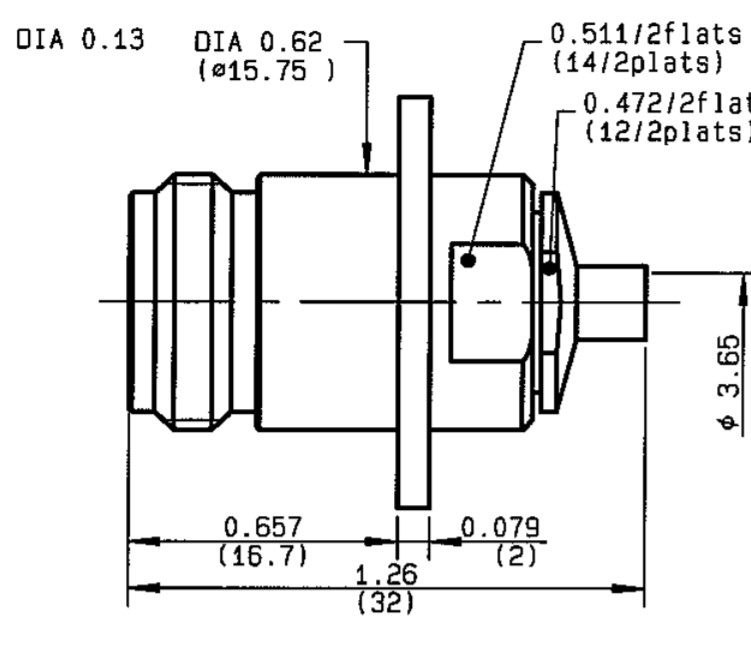
N / STRAIGHT SQUARE FLANGE JACK SOLDER TYPE - CABLE .141 .
Производитель Radiall.
Сроки поставки 4-6 недель.
R161277300
Торговая марка: RADIALL
Тип продукта: Разъемы
Интерфейс I: N
Модель: КАБЕЛЬНЫЙ СОЕДИНИТЕЛЬ
Максимальная частота (ГГц): 11
Импеданс (Ом): 50
Геометрия: ПРЯМАЯ
Монтаж на панели: ФЛАНЕЦ с 4 отверстиями
Тип разъема: ДЖЕК
Пол 1: ЖЕНСКИЙ
Стандарт кабеля: BELDEN 1673A, HC80000-3, KS 2, RG 402, SUCOFORM 141
Крепление кабеля: ТИП ПАИ
Кабельные группы: .141 '' / 50 SR
Система стыковки : ВИНТОВЫЙ
Покрытие центрального контакта: ЗОЛОТО 0,5 НАД НИКЕЛЕМ 2
Покрытие корпуса: BBR
- Аксессуары и аналоги
-
- Отзывы
-
ОтзывыЗарегистрируйтесь, чтобы создать отзыв.

