| R161187000 | Radiall | Коаксиальный разъем | Datasheet Инструкция (Скачать PDF) |
- Описание
-
Описание
R161187000 | Radiall | Коаксиальный разъем
Технические данные на R161187000 Коаксиальный разъем :
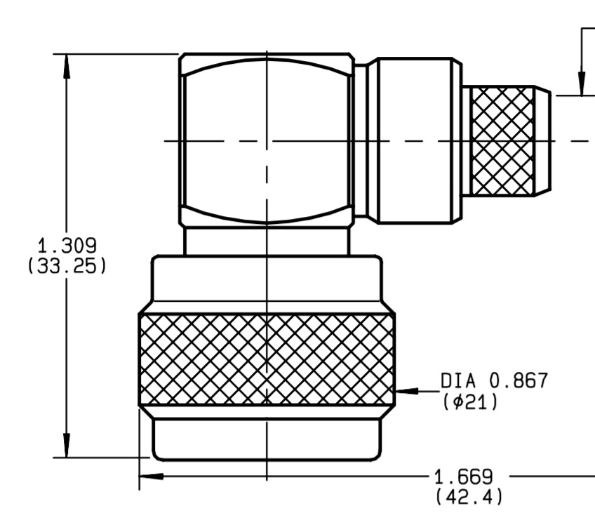
N / RIGHT ANGLE PLUG FULL CRIMP-TYPE CABLE 11/50 D .
Производитель Radiall.
Сроки поставки 4-6 недель.
R161187000
Торговая марка: RADIALL
Тип продукта: Разъемы
Интерфейс I: N
Модель: КАБЕЛЬНЫЙ СОЕДИНИТЕЛЬ
Максимальная частота (ГГц): 11
Импеданс (Ом): 50
Геометрия: ПРАВЫЙ УГОЛ
Тип разъема: PLUG
Пол 1: МУЖЧИНЫ
Стандарт кабеля: KX 13, RG 214, RG 225
Крепление кабеля: ТИП CRIMP, ТИП FULL CRIMP
Группы кабелей: 11/50 D
Система стыковки : ВИНТОВЫЙ
Покрытие центрального контакта: ЗОЛОТО 0,5 НАД НИКЕЛЕМ 2
Покрытие корпуса: BBR
- Аксессуары и аналоги
-
- Отзывы
-
ОтзывыЗарегистрируйтесь, чтобы создать отзыв.

