| R574F33335 | Radiall | Переключатель | Datasheet Инструкция (Скачать PDF) |
- Описание
-
Описание
R574F33335 | Radiall | Переключатель
Производитель: Radiall
Сроки поставки: 12-14 недель
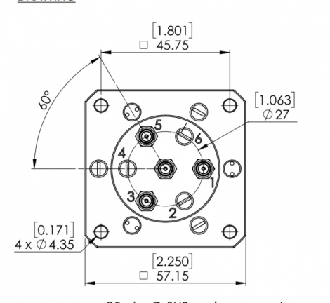
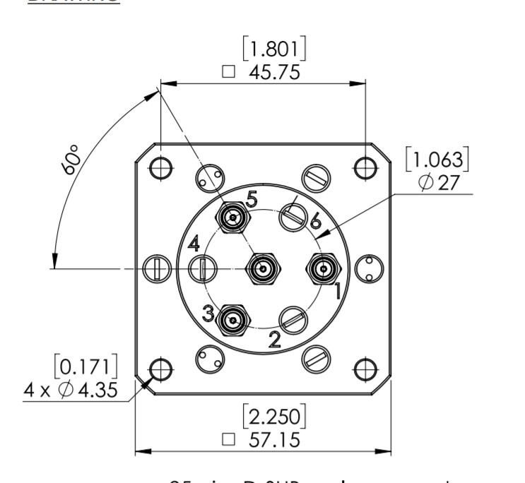
R574F33335
Конфигурация RF: многопортовые переключатели SPnT
Серия: RAMSES
Завершено: Завершено с внутренней нагрузкой
Разъем RF: SMA
Диапазон частот: постоянный ток - 26,5 ГГц
Тип привода : с фиксацией
Напряжение привода: 28
Количество способов: 3
Цепь индикатора: Да
Электронный вариант: подавляющие диоды
Параметры TTL: без драйвера TTL
Клемма привода: D-Sub
- Аксессуары и аналоги
-
- Отзывы
-
ОтзывыЗарегистрируйтесь, чтобы создать отзыв.

