| R570423100 | Radiall | Переключатель СВЧ | Datasheet Инструкция (Скачать PDF) |
- Описание
-
Описание:
R570423100 | Radiall Переключатель СВЧ
Технические данные на R570423100 Переключатель СВЧ :
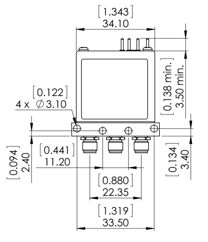
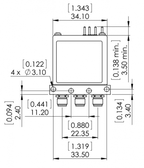
SPDT Ram SMA18 FaIc 28 TTL Di Pins .
Производитель Radiall.
Сроки поставки 10-12 недель.
Производитель: Radiall
Категория продукта: Коаксиальные переключатели
Цвет освещения: -
Торговая марка: Radiall
С подсветкой: Non-Illuminated
Тип лампы: -
Тип продукта: Коаксиальные переключатели
Размер фабричной упаковки: 1
Подкатегория: Выключатели - Аксессуары и аналоги
-
- Отзывы
-
ОтзывыЗарегистрируйтесь, чтобы создать отзыв.

