| 0015474210 | Molex | Соединитель (арт. 15-47-4210) | Datasheet Инструкция (Скачать PDF) |
- Описание
-
Описание продукта:
0015474210 | Molex | Соединитель (арт. 15-47-4210)
Технические характеристики и описание:
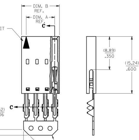
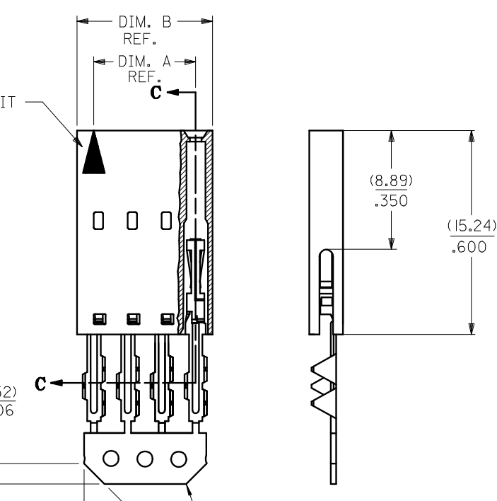
CONN CIC FFC RCPT 21POS 2.54MM
FFC, FPC (плоские гибкие) разъемы Molex
Серия продукта: SL 70430
Производитель: MOLEX .
Каталог: Полный каталог продукции MOLEX .
Сроки поставки: 5-7 недель
Для уточнения точных сроков и цены, свяжитесь с нашими сотрудниками
Артикулы по совпадению и аналогом:
0015474210
15-47-4210
CategoryConnectors, InterconnectsFFC, FPC (Flat Flexible) ConnectorsFFC, FPC (Flat Flexible) Connector AssembliesMfrMolexSeriesSL 70430PackageTubeProduct StatusFlat Flex TypeCIC, FFCMounting TypeFree Hanging (In-Line)Connector/Contact TypeReceptacleNumber of Positions21Pitch0.100" (2.54mm)TerminationIDCFFC, FCB Thickness0.13 ~ 0.28mm, 0.30mmHeight Above Board-Locking Feature-Cable End TypeStraightContact MaterialPhosphor BronzeContact FinishGoldHousing MaterialPolyester, Glass FilledActuator Material-Features-Voltage Rating250VOperating Temperature-40°C ~ 105°CMaterial Flammability RatingUL94 V-0Current Rating (Amps)-Contact Finish Thickness15.0µin (0.38µm)Housing ColorBlackActuator Color-Mating Cycles50Base Product Number001547Environmental & Export ClassificationsATTRIBUTE DESCRIPTION RoHS Status ROHS3 Compliant Moisture Sensitivity Level (MSL) 1 (Unlimited) REACH Status REACH Unaffected ECCN EAR99 HTSUS 8536.69.4051 - Аксессуары и аналоги
-
- Отзывы
-
ОтзывыЗарегистрируйтесь, чтобы создать отзыв.

