| J01028A0048 | Telegartner | Ограничитель | Datasheet Инструкция (Скачать PDF) |
- Описание
-
Описание:
J01028A0048 | Telegartner | Ограничитель
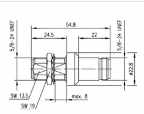
N GDT Ограничитель перенапряжения серии G7. 150-250 В; 6 ГГц. латунь. BNC to UHF ff, тип переборки.
Производитель: Telegartner. Германия.
Сроки поставки: 4 недели
N Подавитель перенапряжения с газовым разрядником, тип переборки 150 - 250 В пост.
Технические атрибуты Техническая информация 150-250 В; 6 ГГц Конец латунь замечания фф, тип переборки Mount. тусклый. Z10 - Аксессуары и аналоги
-
- Отзывы
-
ОтзывыЗарегистрируйтесь, чтобы создать отзыв.

