| 09644227237 | HARTING | 37 way Straight Male 1k nut 4 | Datasheet Инструкция (Скачать PDF) |
- Описание
-
Описание:
09644227237 | HARTING | 37 way Straight Male 1k nut 4
Технические характеристики 09644227237 :
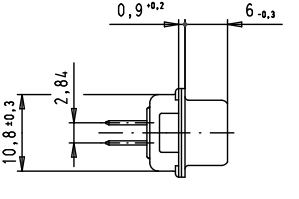
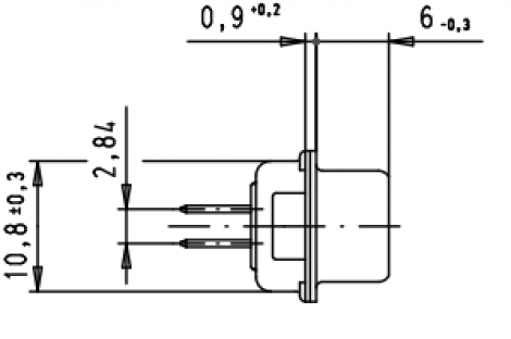
37 way Straight Male 1k nut 4.
Производитель HARTING
Сроки поставки: 4-6 недель
Название- Категория Соединители
- СерияD-Sub
- Название Фильтр
- Элемент Соединитель
- Описание контактов
ТоченыеПрямой
Версия- Метод подключения Подключение методом пайки волной припоя
- Тип Вилка
- РазмерD-Sub 4
- Фильтр С-фильтр 1000 pF ±20% @ ≤100 V
- Число контактов37
- Тип блокировки Крепежный резьбовой фланец 4-40 UNC
Технические характеристики- Номинальный ток 7,5 A
- Сопротивление изоляции>109 Ω
- Сопротивление контактов≤ 10 mΩ
- Момент затяжки≤0,6 Nm Винтовой замок розетки
- Предельная температура-20 ... +125 °C
- Уровень исполнения
2В соответствии с CECC 75301-802
- Циклы стыковки≥ 250
- Hot pluggingНет
Свойства материала- Материал (контактная вставка)
Термопластичная смола (PCT)Плакированная сталь
- Материал (контакты)Медный сплав
- Поверхность (контакты)Благородный металл поверх Ni
- Группа горючести материала согласно UL 94V-0
Спецификации и допуски- СпецификацииDIN 41652
Коммерческие данные- Размер упаковки1
- Страна изготовления Чехия
- код ТН ВЭД ЕС85322400
- eCl@ss27440214 D-Sub coupler
- Категория Соединители
- Аксессуары и аналоги
-
- Отзывы
-
ОтзывыЗарегистрируйтесь, чтобы создать отзыв.

