| 09641127230 | HARTING | 9 way Straight Female 1k Wout | Datasheet Инструкция (Скачать PDF) |
- Описание
-
Описание:
09641127230 | HARTING | 9 way Straight Female 1k Wout
Технические характеристики 09641127230 :
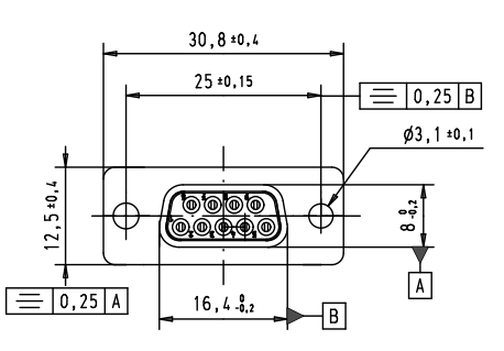
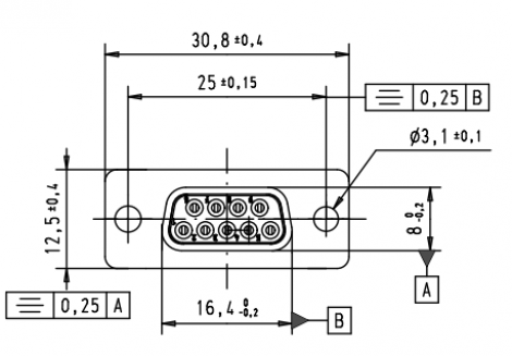
9 way Straight Female 1k Wout.
Производитель HARTING
Сроки поставки: 4-6 недель
Название- Категория Соединители
- СерияD-Sub
- Название Фильтр
- Элемент Соединитель
- Описание контактов
ТоченыеПрямой
Версия- Метод подключения Подключение методом пайки волной припоя
- Тип Розетка
- РазмерD-Sub 1
- Фильтр С-фильтр 1000 pF ±20% @ ≤100 V
- Число контактов9
- Тип блокировки Крепежный фланец со сквозным отверстием Ø 3,1 мм
Технические характеристики- Номинальный ток 7,5 A
- Сопротивление изоляции>109 Ω
- Сопротивление контактов≤ 10 mΩ
- Предельная температура-20 ... +125 °C
- Уровень исполнения
2В соответствии с CECC 75301-802
- Циклы стыковки≥ 250
- Hot pluggingНет
Свойства материала- Материал (контактная вставка)
Термопластичная смола (PCT)Плакированная сталь
- Материал (контакты)Медный сплав
- Поверхность (контакты)Благородный металл поверх Ni
- Группа горючести материала согласно UL 94V-0
- RoHSусловно совместим
- Исключения из RoHS6(c): медный сплав с массовой долей свинца до 4 %
- Состояние ВЭА условно совместим
- China RoHS50
- Жидкости из приложения XVII к предписанию REACHНе содержится
- Жидкости из приложения XIV к предписанию REACHНе содержится
- Особо опасные жидкости предписания REACHДа
- Особо опасные жидкости предписания REACHСвинец
- Номер ECHA SCIPecef7555-f643-4ceb-a337-fc54762297f1
- Законопроект 65 штата Калифорния Да
- Законопроект 65 штата Калифорния Свинец
Спецификации и допуски- СпецификацииDIN 41652
Коммерческие данные- Размер упаковки25
- Вес нетто10,4 g
- Страна изготовления Чехия
- код ТН ВЭД ЕС85322400
- GTIN5713140074514
- eCl@ss27440214 D-Sub coupler
- Категория Соединители
- Аксессуары и аналоги
-
- Отзывы
-
ОтзывыЗарегистрируйтесь, чтобы создать отзыв.

