| 1606KL-05W-B39 | NMB | Осевой вентилятор | Datasheet Инструкция (Скачать PDF) |
- Описание
-
Описание
1606KL-05W-B39 | NMB | Осевой вентилятор
производитель NMB
сроки поставки 3-5 недель
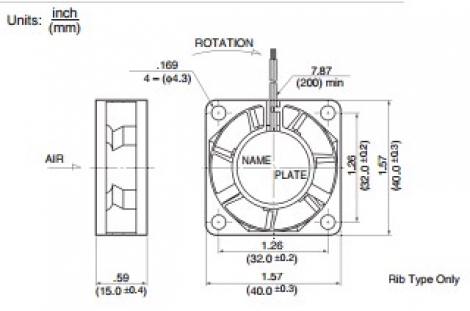
Технические характеристики Тип продукта DC Осевые вентиляторы номер части 1606KL-05W-B39-L00
1606KL-05W-B39-L50
Альтернативный номер детали Номинальное напряжение 24 (V) 24 (V) Воздушный поток 6.00 (CFM) 6.00 (CFM) Текущий 0,045 (А) 0,045 (А) Шум 28,0 (дБ) 28,0 (дБ) Входная мощность 1,08 (ш) 1,08 (ш) Размер [S] 40 (мм) 40 (мм) Толщина [L] 15,0 (мм) 15,0 (мм) скорость 6000 (min¹) 6000 (min¹) Статическое давление 0,145 (Н20) 0,145 (Н20) PDF
скачать PDF
скачать PDFпрекращение Свинец Свинец тип опоры Мяч Мяч Ведущий Wire Count 3 3 Тип установки ребристый ребристый Свинец Тип провода заклиненный ротор Тахометр RoHS Сертификаты
- Аксессуары и аналоги
-
- Отзывы
-
ОтзывыЗарегистрируйтесь, чтобы создать отзыв.

