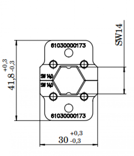
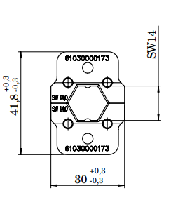
| 61030000173 | HARTING | INDUCOM - Crimp tool Insert 14,0 mm | Datasheet Инструкция (Скачать PDF) |
- Описание
-
Описание:
Технические характеристики 61030000173 :
INDUCOM - Crimp tool Insert 14,0 mm.
Производитель HARTING
Сроки поставки: СКЛАД
или под заказ 4-6 недель
Название- Категория Инструменты
- Тип инструмента Обжимка
Технические характеристики- Размер под ключ 14
Коммерческие данные- Размер упаковки1
- Вес нетто68,33 g
- Страна изготовления Германия
- код ТН ВЭД ЕС85366990
- GTIN5713140157330
- eCl@ss21043852 Insert for crimp tool
- Категория Инструменты
- Аксессуары и аналоги
-
- Отзывы
-
ОтзывыЗарегистрируйтесь, чтобы создать отзыв.

