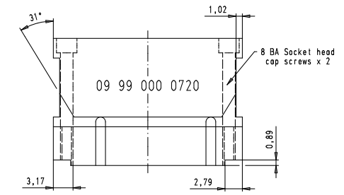
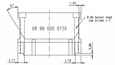
| 09990000720 | HARTING | SEK-18 INSERT-TOOL MA STD PR-IN 20P | Datasheet Инструкция (Скачать PDF) |
- Описание
-
Описание:
Технические характеристики 09990000720 :
SEK-18 INSERT-TOOL MA STD PR-IN 20P.
Производитель HARTING
Сроки поставки: СКЛАД
или под заказ 4-6 недель
Название- Категория Инструменты
- Тип инструмента Верхний инструмент
- Описание инструмента
для стандартных соединителей SEK20 контактов
Коммерческие данные- Размер упаковки1
- Вес нетто 37 g
- Страна изготовления Великобритания
- код ТН ВЭД ЕС82073090
- GTIN5713140107519
- eCl@ss21049090 Hand tool (other, unspecified)
- Категория Инструменты
- Аксессуары и аналоги
-
- Отзывы
-
ОтзывыЗарегистрируйтесь, чтобы создать отзыв.

