| 09990000623 | HARTING | смен.инст-т для контактов FC 3 | Datasheet Инструкция (Скачать PDF) |
- Описание
-
Описание:
Технические характеристики 09990000623 :
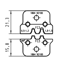
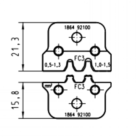
crimp set FC 3.
Производитель HARTING
Сроки поставки: СКЛАД
или под заказ 4-6 недель
Название- Категория Инструменты
- Серия DIN 41612
- Тип инструмента Обжимная вставка
- Описание инструмента
для отдельных контактовFC 3
Версия- Содержимое упаковки В каждый комплект включен позиционер и обжимная вставка, верхняя и нижняя часть
Технические характеристики- Поперечное сечение проводника 0,5 ... 1,5 mm² для контактов FC 3
Коммерческие данные- Размер упаковки 1
- Вес нетто75 g
- Страна изготовления Германия
- код ТН ВЭД ЕС82073010
- GTIN5713140107366
- eCl@ss21049090 Hand tool (other, unspecified)
- Категория Инструменты
- Аксессуары и аналоги
-
- Отзывы
-
ОтзывыЗарегистрируйтесь, чтобы создать отзыв.

